Product Summary
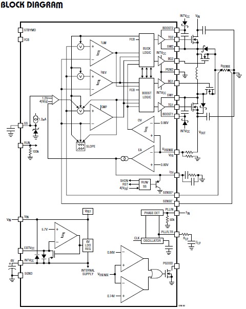
The LTC3780EG is a high performance buck-boost switching regulator controller that operates from input voltages above, below or equal to the output voltage. The constant frequency current mode architecture allows a phaselockable frequency of up to 400kHz. With a wide 4V to 30V (36V maximum) input and output range and seamless transfers between operating modes, the LTC3780EG is ideal for automotive, telecom and battery-powered systems.
Parametrics
Absolute maximum ratings: (1)Input Supply Voltage (VIN): –0.3V to 36V; (2)Topside Driver Voltages (BOOST1, BOOST2): –0.3V to 42V; (3)Switch Voltage (SW1, SW2): –5V to 36V; (4)INTVCC, EXTVCC, RUN, SS, (BOOST – SW1), (BOOST2 – SW2), PGOOD: –0.3V to 7V; (5)PLLIN Voltage: –0.3V to 5.5V; (6)PLLFLTR Voltage: –0.3V to 2.7V; (7)FCB, STBYMD Voltages: –0.3V to INTVCC; (8)ITH, VOSENSE Voltages: –0.3V to 2.4V; (9)Peak Output Current <10ms (TG1, TG2, BG1, BG2): 3A; (10)INTVCC Peak Output Current: 40mA; (11)Junction Temperature: 125℃; (12)Storage Temperature Range: –65℃ to 125℃; (13)Lead Temperature (Soldering, 10 sec) SSOP Only: 300℃.
Features
Features: (1)Single Inductor Architecture Allows VIN Above, Below or Equal to VOUT; (2)Wide VIN Range: 4V to 36V Operation; (3)Synchronous Rectification: Up to 98% Efficiency; (4)Current Mode Control; (5)±1% Output Voltage Accuracy: 0.8V < VOUT < 30V; (6)Phase-Lockable Fixed Frequency: 200kHz to 400kHz; (7)Power Good Output Voltage Monitor; (8)Internal LDO for MOSFET Supply; (9)Quad N-Channel MOSFET Synchronous Drive; (10)VOUT Disconnected from VIN During Shutdown; (11)Adjustable Soft-Start Current Ramping; (12)Foldback Output Current Limiting; (13)Selectable Low Current Modes; (14)Output Overvoltage Protection; (15)Available in 24-Lead SSOP and Exposed Pad (5mm × 5mm) 32-Lead QFN Packages.
Diagrams

| Image | Part No | Mfg | Description | ![]() |
Pricing (USD) |
Quantity | ||||||||||
|---|---|---|---|---|---|---|---|---|---|---|---|---|---|---|---|---|
![]() |
![]() LTC3780EG#PBF |
![]() |
![]() IC REG CTRLR BST PWM CM 24-SSOP |
![]() Data Sheet |
![]()
|
|
||||||||||
![]() |
![]() LTC3780EG#TRPBF |
![]() |
![]() IC REG CTRLR BST PWM CM 24-SSOP |
![]() Data Sheet |
![]()
|
|
||||||||||
(China (Mainland))









