Product Summary
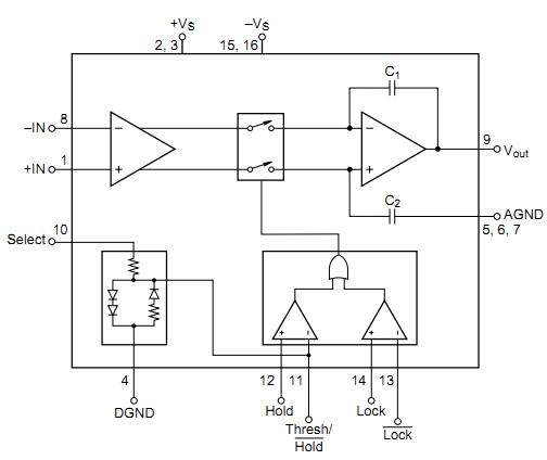
The SHC605AU is a monolithic high-speed, high accuracy track-and-hold amplifier. It combines fast acquisition and low distortion to provide a complete solution for a wide range of sampling applications. Noninverting,inverting, and differential gain configurations are easy to apply with the SHC605AU. An on-board logic reference circuit makes the SHC605AU compatible with both single-ended and differential ECL or TTL clock in-puts. An internal track-mode lockout circuit allows edge-triggered operation in data acquisition systems. The SHC605AU is available in a SO-16 surface-mount package specified for the –40℃ to +85℃ industrial temperature range. The applications of the SHC605AU include A/D converter front ends, multiple channel simultaneous sampling, improving flash adc performance, peak detectors and dac deglitching.
Parametrics
SHC605AU absolute maximum ratings: (1)Supply: ±7VDC; (2)Input Voltage Range: ±5V; (3)Differential Input Voltage: ±5.5V (between +In and –In inputs); (4)Storage Temperature Range:–40℃ to +125℃; (5)Lead Temperature (soldering, SOIC 3s): +260℃; (6)Output Short Circuit to Ground (+25℃): Continuous to Ground; (7)Junction Temperture (Tj): +175℃.
Features
SHC605AU features: (1)Very good spurious free dynamic range: 90dB at 1MHz FIN and 20MSPS; 86dB at 2MHz FIN and 20MSPS; 77dB at 5MHz FIN and 20MSPS; (2)low acquisition time: 30ns to 0.01%; (3)low droop rate: 8mV/μs max TMIN to TMAX; (4)low power consumption: 335mW; (5)extremely versatile architecture: Noninverting, Inverting, and Differential Gains; (6)logic flexibility: TTL and ECL Compatible; (7)small package: SO-16; (8)extended temperature specs:–40 to +85℃.
Diagrams

| Image | Part No | Mfg | Description | ![]() |
Pricing (USD) |
Quantity | ||||
|---|---|---|---|---|---|---|---|---|---|---|
![]() |
![]() SHC605AU |
![]() Texas Instruments |
![]() IC OPAMP GP TRACK-HOLD HS 16SOIC |
![]() Data Sheet |
![]() Negotiable |
|
||||
| Image | Part No | Mfg | Description | ![]() |
Pricing (USD) |
Quantity | ||||
![]() |
![]() SHC605 |
![]() Other |
![]() |
![]() Data Sheet |
![]() Negotiable |
|
||||
![]() |
![]() SHC605AU |
![]() Texas Instruments |
![]() IC OPAMP GP TRACK-HOLD HS 16SOIC |
![]() Data Sheet |
![]() Negotiable |
|
||||
![]() |
![]() SHC615 |
![]() Other |
![]() |
![]() Data Sheet |
![]() Negotiable |
|
||||
![]() |
![]() SHC615AP |
![]() Texas Instruments |
![]() IC DC RESTORATION CIRCUIT 14DIP |
![]() Data Sheet |
![]() Negotiable |
|
||||
![]() |
![]() SHC615AU |
![]() Texas Instruments |
![]() IC DC RESTORATION CIRC 14-SOIC |
![]() Data Sheet |
![]() Negotiable |
|
||||
![]() |
![]() SHC615AU/2K5 |
![]() Texas Instruments |
![]() IC DC RESTORATION CIRCUIT 14SOIC |
![]() Data Sheet |
![]() Negotiable |
|
||||
(China (Mainland))










