Product Summary
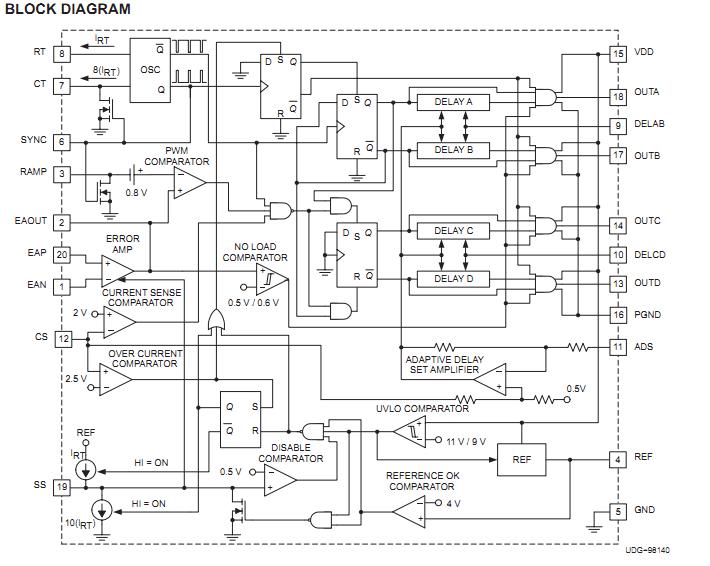
The UCC3895DW is a phase-shift PWM controller that implements control of a full-bridge power stage by phase shifting the switching of one half-bridge with respect to the other. The UCC3895DW allows constant frequency pulse-width modulation in conjunction with resonant zero-voltage switching to provide high efficiency at high frequencies. The UCC3895DW can be used either as a voltage-mode or current-mode controller. The applications of the UCC3895DW include Phase-Shifted Full-Bridge Converters, Off-Line, Telecom, Datacom and Servers, Distributed Power Architecture and High-Density Power Modules.
Parametrics
UCC3895DW absolute maximum ratings: (1)Supply voltage (IDD < 10 mA): 17 V; (2)Supply current: 30mA; (3)Reference current: 15 mA; (4)Output crrent: 100mA; (5)Analog inputs, EAP, EAN, EAOUT, RAMP, SYNC, ADS, CS, SS/DISB: -0.3 V to REF+0.3 V; (6)Drive outputs, OUTA, OUTB, OUTC, OUTD: -0.3 V to VCC + 0.3 V; (7)Power dissipation at TA =25℃: 650 mW; (8)Storage temperature range, Tstg: -65 to 150℃; (9)Junction temperature range, TJ: -55 to 150℃; (10)Lead temperature 1,6 mm (1/16 inch) from case for 10 seconds: 300℃.
Features
UCC3895DW features: (1)Programmable Output Turn-on Delay; (2)Adaptive Delay Set; (3)Bidirectional Oscillator Synchronization; (4)Voltage-Mode, Peak Current-Mode, or Average Current-Mode Control; (5)Programmable Softstart/Softstop and Chip Disable via a Single Pin; (6)0% to 100% Duty-Cycle Control; (7)7-MHz Error Amplifier; (8)Operation to 1 MHz; (9)Typical 5-mA Operating Current at 500 kHz; (10)Very Low 150-μA Current During UVLO.
Diagrams

| Image | Part No | Mfg | Description | ![]() |
Pricing (USD) |
Quantity | ||||||||||||
|---|---|---|---|---|---|---|---|---|---|---|---|---|---|---|---|---|---|---|
![]() |
![]() UCC3895DW |
![]() Texas Instruments |
![]() Soft Switching PWM Controllers BiCMOS Advanced Phase Shift |
![]() Data Sheet |
![]()
|
|
||||||||||||
![]() |
![]() UCC3895DWG4 |
![]() Texas Instruments |
![]() Soft Switching PWM Controllers BiCMOS Advanced Phase Shift |
![]() Data Sheet |
![]()
|
|
||||||||||||
![]() |
![]() UCC3895DWTR |
![]() Texas Instruments |
![]() Soft Switching PWM Controllers BiCMOS Advanced Phase Shift |
![]() Data Sheet |
![]()
|
|
||||||||||||
![]() |
![]() UCC3895DWTRG4 |
![]() Texas Instruments |
![]() Soft Switching PWM Controllers BiCMOS Advanced Phase Shift |
![]() Data Sheet |
![]()
|
|
||||||||||||
(China (Mainland))









