Product Summary
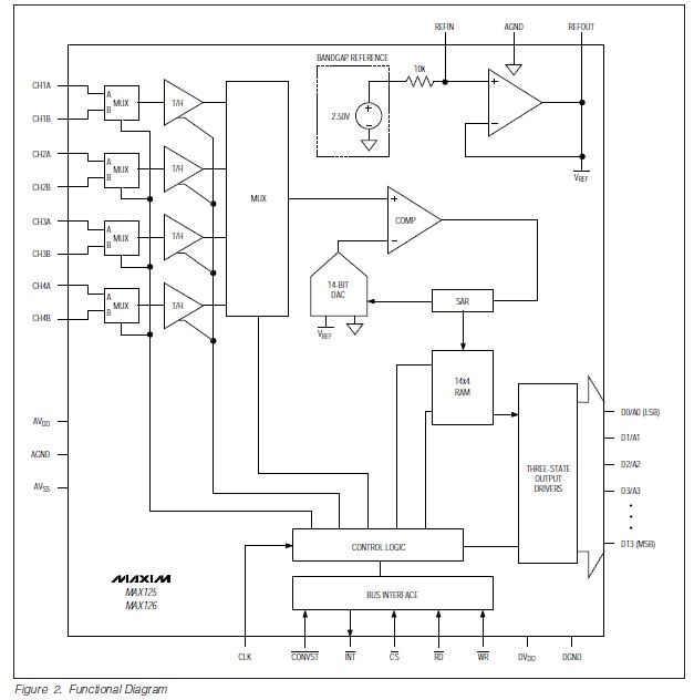
The MAX125CEAX+T is a high-speed, multichannel, 14-bit data-acquisition system (DAS) with simultaneous track/holds (T/Hs). These devices contain a 14-bit, 3μs, successive-approximation analog-to-digital converter(ADC), a +2.5V reference, a buffered reference input, and a bank of four simultaneous-sampling T/H amplifiers that preserve the relative phase information of the sampled inputs. The MAX125CEAX+T has two multiplexed inputs for each T/H, allowing a total of eight inputs. In addition, the converter is overvoltage tolerant to ±17V; a fault condition on any channel will not harm the IC. Available input ranges are ±5V.
Parametrics
Absolute maximum ratings: (1)AVDD to AGND: -0.3V to 6V; (2)AVSS to AGND: 0.3V to -6V; (3)DVDD to DGND: -0.3V to 6V; (4)AGND to DGND: -0.3V to 0.3V; (5)CH_ _ to AGND: ±17V; (6)REFIN, REFOUT to AGND: -0.3V to 6V; (7)Digital Inputs/Outputs to DGND: -0.3V to (DVDD + 0.3V); (8)Continuous Power Dissipation (TA = +70℃), SSOP (derate 11.8mW/℃ above +70℃): 941mW; (9)Operating Temperature Ranges: -65℃ to +150℃; (10)Lead Temperature (soldering, 10sec): 300℃.
Features
Features: (1)Four Simultaneous-Sampling T/H Amplifiers with Two Multiplexed Inputs (eight single-ended inputs total); (2)3μs Conversion Time per Channel; (3)Throughput: 250ksps (1 channel): 142ksps (2 channels); 100ksps (3 channels); 76ksps (4 channels); (4)Input Range: ±5V; (5)Fault-Protected Input Multiplexer (±17V); (6)±5V Supplies; (7)Internal +2.5V or External Reference Operation; (8)Programmable On-Board Sequencer; (9)High-Speed Parallel DSP Interface.
Diagrams

| Image | Part No | Mfg | Description | ![]() |
Pricing (USD) |
Quantity | ||||||||
|---|---|---|---|---|---|---|---|---|---|---|---|---|---|---|
![]() |
![]() MAX125CEAX+T |
![]() Maxim |
![]() IC DAS 14BIT 2X4CH 36-SSOP |
![]() Data Sheet |
![]() Negotiable |
|
||||||||
![]() |
![]() MAX125CEAX+TD |
![]() Maxim Integrated Products |
![]() ADC (A/D Converters) 14-Bit 8Ch 250ksps 2.75V Precision ADC |
![]() Data Sheet |
![]()
|
|
||||||||
(China (Mainland))










